
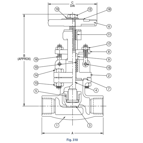
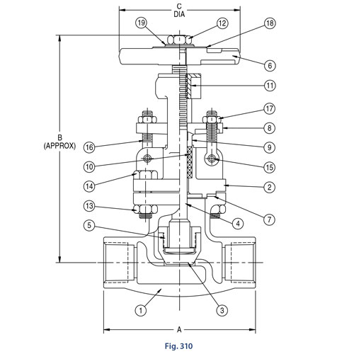
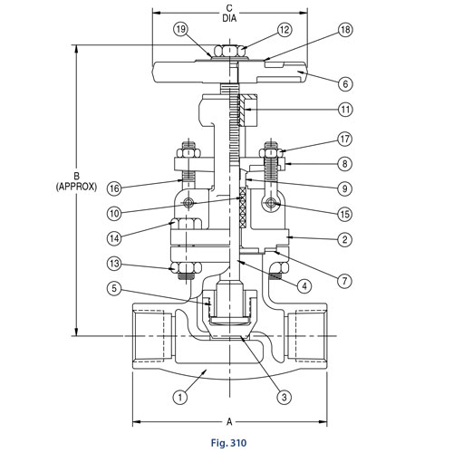
ALOYCO 310C02004 FIG 310 Globe Valve, 1/2" Nominal, FNPT End Style, 150 lb, Stainless Steel Body, Bolted Bonnet, Plug Type Disc
CBPN: 265853
MPN:310C02004
Price:
$680.04 / EA
DESCRIPTION
ALOYCO Globe Valve, Figure 310, 1/2 in Nominal, FNPT, 150 lb, OS&Y, CF3M Stainless Steel Body, Bolted Bonnet, Rising Stem, Plug Type Disc
**This item may be subject to a minimum order quantity.**
ALOYCO 310C02004 FIG 310 Globe Valve, 1/2" Nominal, FNPT End Style, 150 lb, Stainless Steel Body, Bolted Bonnet, Plug Type Disc
CBPN: 265853
MPN:310C02004
Price:
$680.04 / EA
Specifications
Brand: Aloyco®
Weight: 6.6 lbs
Nominal Size: 1/2 in
End Style: FNPT
Pressure Class: 150 lb
Body Material: Stainless Steel
Actuator Type: Handwheel
Hand Wheel Diameter: 3.9 in
Inlet to Outlet Length: 3.74 in
Manufacturer Name: Crane ChemPharma Energy
Softgoods Material: PTFE
Top to Inlet Center: 7.1 in
Trim Material: API Trim 10 (316SS)
Domestic/Import: Import
Country of Origin: CH
Standards and Approvals: MSS SP-42, ASME B16.34
Item Features
- Bolted Bonnet
- Rising Stem
- Integral Seat
- Outside Stem & Yoke
- API Trim 10 (316 SS)
- Recessed Retained Gasket
- Plug Type Disc

